Bombas de alta e baixa pressão
Solicite uma cotação
Informações técnicas
- Deslocamento: 3~30cm³/rev.
- Sentido de rotação: sentido horário (D), anti-horário (S)
- Velocidade mínima: 800r/mín
- Velocidade máxima: 2500r/mín
- Pressão máxima: 250bar
Bomba alta-baixa pressão, Grupo 2G/2G Parâmetro técnico
| Deslocamento | Deslocamento | Pressão de transbordamento | Pressão contínua máxima | Pressão intermitente máxima | Pressão de pico máxima | Velocidade mínima | Velocidade máxima | Eficiência volumétrica |
| Y | V | P | P1 | P2 | P3 | nmin | nmax | ηv |
| cm³/rev. | cm³/rev. | bar | t/min | % | ||||
| 3 | 16 | 35...75 | 210 | 230 | 250 | 800 | 2500 | ≥90 |
| 3 | 18 | |||||||
| 4 | 18 | |||||||
| 4 | 20 | |||||||
| 6 | 20 | |||||||
| 6 | 22 | |||||||
| 8 | 20 | |||||||
| 8 | 22 | |||||||
| 10 | 22 | |||||||
| 10 | 25 | |||||||
| 12 | 25 | |||||||
| 12 | 28 | |||||||
| 14 | 28 | |||||||
| 14 | 30 | |||||||
Regras para o código de pedido da bomba alta-baixa 2G/2G
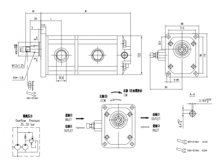
Bomba alta-baixa pressão 2G/2G Dimensões padrão do produto
| Deslocamento | Pressão máxima | Pressão contínua máxima | Velocidade máxuma | Velocidade mínima | Dimensões | Código da porta de óleo | Entrada | Saída | ||||
| Alto | Baixo | P1 | P2 | P3 | P | C | M | D | d | |||
| (cm³/rev.) | (cm³/rev.) | bar | bar | bar | bar | (r/min) | (r/min) | mm | mm | |||
| 3 | 16 | 210 | 230 | 250 | 3500 | 1000 | 43.6 | 181.8 | L1 | G3/4 | G1/2 | |
| 3 | 18 | 210 | 230 | 250 | 3500 | 1000 | 43.6 | 185.1 | L1 | G3/4 | G1/2 | |
| 4 | 18 | 210 | 230 | 250 | 3500 | 1000 | 44.4 | 186.7 | L1 | G3/4 | G1/2 | |
| 4 | 20 | 210 | 230 | 250 | 3500 | 1000 | 44.4 | 190 | L1 | G3/4 | G1/2 | |
| 6 | 20 | 210 | 230 | 250 | 3500 | 1000 | 46 | 193.3 | L1 | G3/4 | G1/2 | |
| 6 | 22 | 210 | 230 | 250 | 3500 | 1000 | 46 | 196.6 | L1 | G3/4 | G1/2 | |
| 8 | 20 | 210 | 230 | 250 | 35..75 | 3500 | 1000 | 47.7 | 196.6 | L1 | G3/4 | G1/2 |
| 8 | 22 | 210 | 230 | 250 | 3500 | 1000 | 47.7 | 199.9 | L1 | G3/4 | G1/2 | |
| 10 | 22 | 210 | 230 | 250 | 3500 | 1000 | 49.3 | 203.2 | L1 | G3/4 | G1/2 | |
| 10 | 25 | 210 | 230 | 250 | 3500 | 1000 | 49.3 | 208.2 | L1 | G3/4 | G1/2 | |
| 12 | 25 | 210 | 230 | 250 | 3500 | 1000 | 51 | 211.5 | L1 | G3/4 | G1/2 | |
| 12 | 28 | 210 | 230 | 250 | 3500 | 1000 | 51 | 216.5 | L1 | G3/4 | G1/2 | |
| 14 | 28 | 210 | 230 | 250 | 3500 | 1000 | 52.7 | 219.9 | L1 | G3/4 | G1/2 | |
| 14 | 30 | 210 | 230 | 250 | 3500 | 1000 | 52.7 | 223.2 | L1 | G3/4 | G1/2 | |
Productos relacionados
Deixe uma mensagem
Outros Produtos
O Mais Recente
Saiba mais
Outros Produtos
Vídeo

