Bombas de alta e baixa pressão
Solicite uma cotação
Informações técnicas
- Deslocamento: 1~13cm³/rev.
- Sentido de rotação: sentido horário (D), anti-horário (S)
- Velocidade mínima: 500r/mín
- Velocidade máxima: 3600r/mín
- Pressão máxima: 250bar
Parâmetros técnicos
| Deslocamento | Deslocamento | Pressão de transbordamento | Pressão contínua máxima | Pressão intermitente máxima | Pressão de pico máxima | Velocidade mínima | Velocidade máxima | Eficiência volumétrica |
| V | V | P | P1 | P2 | P3 | nmín | nmáx | ηv |
| cm³/rev. | cm³/rev. | bar | r/mín | % | ||||
| 2.1 | 1 | 40...45 | 210 | 230 | 250 | 500 | 3600 | ≥93 |
| 4.2 | 1 | |||||||
| 4.2 | 1.6 | |||||||
| 6.3 | 2.1 | |||||||
| 6.3 | 3 | |||||||
| 6.3 | 3.6 | |||||||
| 8.8 | 1.6 | |||||||
| 8.8 | 2.1 | |||||||
| 8.8 | 3.6 | |||||||
| 10.9 | 2.1 | |||||||
| 10.9 | 3.6 | |||||||
| 10.9 | 4.2 | |||||||
| 13 | 3.2 | |||||||
| 13 | 4.2 | |||||||
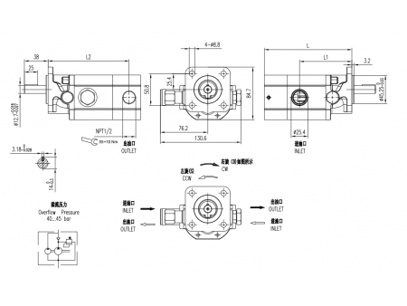
Bombas de alta e baixa pressão, Grupo 1.3G/1.3G (1~13cm³/rev.)
Dimensões padrão do produto com bomba alta-baixa pressão 1.3 G/1.3 G
| Deslocamento | Pressão máxima | Pressão contínua máxima | Velocidade máxima | Velocidade mínima | Peso | Dimensões | Código da porta de óleo | Entrada | Saída | ||||||
| Alto | Baixo | P1 | P2 | P3 | P | C | C1 | C2 | D | d | D | d | |||
| (m³/rev) | (m³/rev) | bar | bar | bar | bar | (r/min) | (r/min) | Kg | mm | mm | mm | mm | |||
| 2.1 | 1 | 210 | 230 | 250 | 40.45 | 3600 | 500 | 1.45 | 157.8 | 64.2 | 100.2 | PJ0 | NC2 | Ø25.4 | NPT1/2 |
| 4.2 | 1 | 210 | 230 | 250 | 3600 | 500 | 1.6 | 157.8 | 64.2 | 100.2 | PJ0 | NC2 | Ø25.4 | NPT1/2 | |
| 4.2 | 1.6 | 210 | 230 | 250 | 3600 | 500 | 1.68 | 159.8 | 64.2 | 102.2 | PJ0 | NC2 | Ø25.4 | PT1/2 | |
| 6.3 | 2.1 | 210 | 230 | 250 | 3600 | 500 | 1.9 | 154.2 | 61.2 | 95.2 | PJ0 | NC2 | Ø25.4 | NPT1/2 | |
| 6.3 | 3 | 210 | 230 | 250 | 3600 | 500 | 1.98 | 157.8 | 61.2 | 95.2 | PJ0 | NC2 | Ø25.4 | NPT1/2 | |
| 6.3 | 3.6 | 210 | 230 | 250 | 3600 | 500 | 2 | 159.5 | 61.2 | 99.2 | PJ0 | NC2 | Ø25.4 | NPT1/2 | |
| 8.8 | 1.6 | 210 | 230 | 250 | 3600 | 500 | 2.1 | 162 | 69.6 | 103.6 | PJ0 | NC2 | Ø25.4 | NPT1/2 | |
| 8.8 | 2.1 | 210 | 230 | 250 | 3600 | 500 | 2.15 | 162.7 | 69.6 | 103.6 | PJ0 | NC2 | Ø25.4 | NPT1/2 | |
| 8.8 | 3.6 | 210 | 230 | 250 | 3600 | 500 | 2.25 | 167.9 | 69.6 | 107.6 | PJ0 | NC2 | Ø25.4 | NPT1/2 | |
| 10.9 | 2.1 | 210 | 230 | 250 | 3600 | 500 | 2.4 | 170.2 | 77.1 | 111.1 | PJ0 | NC2 | Ø25.4 | NPT1/2 | |
| 10.9 | 3.6 | 210 | 230 | 250 | 3600 | 500 | 2.5 | 175.4 | 77.1 | 115.1 | PJ0 | NC2 | Ø25.4 | NPT1/2 | |
| 10.9 | 4.2 | 210 | 230 | 250 | 3600 | 500 | 2.55 | 177.7 | 77.1 | 115.1 | PJ0 | NC2 | Ø25.4 | NPT1/2 | |
| 13 | 3.2 | 210 | 230 | 250 | 3600 | 500 | 2.98 | 180.7 | 84.1 | 122.1 | PJ0 | NC2 | Ø25.4 | NPT1/2 | |
| 13 | 4.2 | 210 | 230 | 250 | 3600 | 500 | 3.04 | 184.7 | 84.1 | 122.1 | PJ0 | NC2 | Ø25.4 | NPT1/2 | |
Productos relacionados
Deixe uma mensagem
Outros Produtos
O Mais Recente
Saiba mais
Outros Produtos
Vídeo

