Bomba de engrenagem múltipla
Solicite uma cotação
Bombas hidráulicas
Informações técnicas
- Deslocamento: 0.8~13.8cm³/rev.
- Sentido de rotação: sentido horário (D), anti-horário (S)
- Velocidade mínima: 600r/mín
- Velocidade máxima: 2500r/mín
- Pressão máxima: 160~230bar
Regras para códigos de encomenda
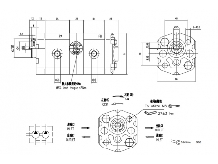
Dimensões padrão do produto
| Deslocamento | Pressão máxima | Velocidade máxima | Velocidade mínima | Dimensões | Código de porta de óleo | Entrada | Saída | Código de porta de óleo | Entrada | Saída | |||
| PA | PB | PA | PB | LA | LB | PA | D | d | PB | D | d | ||
| (cm³/rev.) | (cm³/rev.) | bar | bar | (r/mín) | (r/mín) | mm | mm | ||||||
| 0.8 | 0.8 | 230 | 230 | 35.6 | 35.6 | L3 | G3/8 | G3/8 | L3 | G3/8 | G3/8 | ||
| 1.1 | 1.1 | 230 | 230 | 2500 | 600 | 36.1 | 36.1 | L3 | G3/8 | G3/8 | L3 | G3/8 | G3/8 |
| 1.3 | 1.3 | 230 | 230 | 37.1 | 37.1 | L3 | G3/8 | G3/8 | L3 | G3/8 | G3/8 | ||
| 1.6 | 1.6 | 230 | 230 | 38.1 | 38.1 | L3 | G3/8 | G3/8 | L3 | G3/8 | G3/8 | ||
| 1.8 | 1.8 | 230 | 230 | 39.1 | 39.1 | L3 | G3/8 | G3/8 | L3 | G3/8 | G3/8 | ||
| 2.1 | 2.1 | 230 | 230 | 40.1 | 40.1 | L3 | G3/8 | G3/8 | L3 | G3/8 | G3/8 | ||
| 2.7 | 2.7 | 230 | 230 | 42.1 | 42.1 | L3 | G3/8 | G3/8 | L3 | G3/8 | G3/8 | ||
| 3.2 | 3.2 | 210 | 210 | 44.1 | 44.1 | L3 | G3/8 | G3/8 | L3 | G3/8 | G3/8 | ||
| 3.7 | 3.7 | 210 | 210 | 46.1 | 46.1 | L3 | G3/8 | G3/8 | L3 | G3/8 | G3/8 | ||
| 4.2 | 4.2 | 210 | 210 | 48.1 | 48.1 | L3 | G3/8 | G3/8 | L3 | G3/8 | G3/8 | ||
| 4.8 | 4.8 | 190 | 190 | 50.1 | 50.1 | L3 | G3/8 | G3/8 | L3 | G3/8 | G3/8 | ||
| 5.8 | 5.8 | 190 | 190 | 54.1 | 54.1 | L3 | G3/8 | G3/8 | L3 | G3/8 | G3/8 | ||
| 7.0 | 7.0 | 160 | 160 | 58.1 | 58.1 | L3 | G3/8 | G3/8 | L3 | G3/8 | G3/8 | ||
| 8.0 | 8.0 | 160 | 160 | 62.1 | 62.1 | L3 | G3/8 | G3/8 | L3 | G3/8 | G3/8 | ||
| Deslocamento | Pressão máxima | Velocidade máxima | Velocidade mínima | Dimensões | Código de porta de óleo | Entrada | Saída | Código de porta de óleo | Entrada | Saída | |||
| PA | PB | PA | PB | LA | LB | PA | D | d | PB | D | d | ||
| (cm³/rev.) | (cm³/rev.) | bar | bar | (r/mín) | (r/mín) | mm | mm | ||||||
| 0.8 | 0.8 | 230 | 230 | 2500 | 600 | 35.6 | 35.6 | L3 | G3/8 | G3/8 | L3 | G3/8 | G3/8 |
| 1.1 | 1.1 | 230 | 230 | 36.1 | 36.1 | L3 | G3/8 | G3/8 | L3 | G3/8 | G3/8 | ||
| 1.3 | 1.3 | 230 | 230 | 37.1 | 37.1 | L3 | G3/8 | G3/8 | L3 | G3/8 | G3/8 | ||
| 1.6 | 1.6 | 230 | 230 | 38.1 | 38.1 | L3 | G3/8 | G3/8 | L3 | G3/8 | G3/8 | ||
| 1.8 | 1.8 | 230 | 230 | 39.1 | 39.1 | L3 | G3/8 | G3/8 | L3 | G3/8 | G3/8 | ||
| 2.1 | 2.1 | 230 | 230 | 40.1 | 40.1 | L3 | G3/8 | G3/8 | L3 | G3/8 | G3/8 | ||
| 2.7 | 2.7 | 230 | 230 | 42.1 | 42.1 | L3 | G3/8 | G3/8 | L3 | G3/8 | G3/8 | ||
| 3.2 | 3.2 | 210 | 210 | 44.1 | 44.1 | L3 | G3/8 | G3/8 | L3 | G3/8 | G3/8 | ||
| 3.7 | 3.7 | 210 | 210 | 46.1 | 46.1 | L3 | G3/8 | G3/8 | L3 | G3/8 | G3/8 | ||
| 4.2 | 4.2 | 210 | 210 | 48.1 | 48.1 | L3 | G3/8 | G3/8 | L3 | G3/8 | G3/8 | ||
| 4.8 | 4.8 | 190 | 190 | 50.1 | 50.1 | L3 | G3/8 | G3/8 | L3 | G3/8 | G3/8 | ||
| 5.8 | 5.8 | 190 | 190 | 54.1 | 54.1 | L3 | G3/8 | G3/8 | L3 | G3/8 | G3/8 | ||
| 7 | 7 | 160 | 160 | 58.1 | 58.1 | L3 | G3/8 | G3/8 | L3 | G3/8 | G3/8 | ||
| 8 | 8 | 160 | 160 | 62.1 | 62.1 | L3 | G3/8 | G3/8 | L3 | G3/8 | G3/8 | ||
Productos relacionados
Deixe uma mensagem
Outros Produtos

