Roda motriz para escavadeira Komatsu PC1250
Solicite uma cotação
Peças para equipamentos pesados
Roda motriz Komatsu
A PT'ZM fornece rodas motriz de alta resistência para escavadeiras Komatsu, fabricados por meio de fundição de precisão ou forjamento com liga de aço.
- Modelos de escavadeiras Komatsu compatíveisPC1250, PC1100
- Números de peça OEMBERCO KM2420, KOMATSU 21N-27-31191
Especificações técnicas
- Descrição: Roda motriz
- Local de origem: China
- Marca: PT'ZM
- Modelo de máquina aplicável: PC1250
- Marca da máquina aplicável: Komatsu
- Número da peça: 21N-27-31191
- Certificado: GB/T19001-2016, ISO9001:2015
- Preço: A negociar
- Método de embalagem: Embalagem fumigada adequada para transporte marítimo
- Prazo de entrega: 7-30 dias
- Condições de pagamento: T/T, outras condições negociáveis
- Condições de envio: FOB, CIF, CFR
- Quantidade mínima de encomenda: 1 unidade
- Capacidade de fornecimento: 100 conjuntos/mês
- Material: 35SiMn
- Processo de fabricação: Fundição
- Acabamento: Liso
- Dureza: HRC50-60
- Qualidade: Operações de construção e mineração
- Período de garantia: 12 meses
- Serviço pós-venda: Suporte técnico por vídeo, suporte online
- Cor: Preto ou amarelo ou conforme solicitado pelo cliente
- Aplicação: Escavadeira de esteira
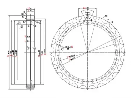
Tabela de tamanhos (unidade: mm)
| PC1250 | A | B | C | D | E |
| 1135 | 970 | 955 | 843 | 1027 | |
| F | G | H | I | K | |
| 970 | 955 | 115 | 100 | 57.5 |

