Bomba de engrenagem múltipla
Solicite uma cotação
Bombas hidráulicas
Informações técnicas
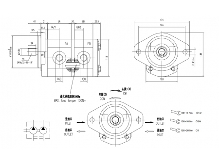
- Deslocamento: 6~44cm³/rev.
- Sentido de rotação: sentido horário (D), anti-horário (S)
- Velocidade mínima: 500r/mín
- Velocidade máxima: 2300r/mín
- Pressão máxima: 170~250bar
Regras para códigos de encomenda
Dimensões padrão do produto
| Deslocamento | Pressão máxima | Velocidade máxima | Velocidade mínima | Dimensões | Código de porta de óleo | Entrada | Saída | Código de porta de óleo | Entrada | Saída | |||
| PA | PB | PA | PB | LA | LB | PA | D | d | PB | D | d | ||
| (cm³/rev.) | (cm³/rev.) | bar | bar | (r/mín) | (r/mín) | mm | mm | ||||||
| 6 | 6 | 250 | 250 | 2300 | 500 | 56.6 | 56.6 | L0 | G3/4 | G1/2 | L0 | G3/4 | G1/2 |
| 8 | 8 | 250 | 250 | 58.6 | 58.6 | L0 | G3/4 | G1/2 | L0 | G3/4 | G1/2 | ||
| 10 | 10 | 250 | 250 | 60.6 | 60.6 | L0 | G3/4 | G1/2 | L0 | G3/4 | G1/2 | ||
| 12 | 12 | 250 | 250 | 63.1 | 63.1 | L0 | G3/4 | G1/2 | L0 | G3/4 | G1/2 | ||
| 14 | 14 | 250 | 250 | 64.6 | 64.6 | L0 | G3/4 | G1/2 | L0 | G3/4 | G1/2 | ||
| 16 | 16 | 250 | 250 | 67.1 | 67.1 | L0 | G3/4 | G1/2 | L0 | G3/4 | G1/2 | ||
| 19 | 19 | 250 | 250 | 70.6 | 70.6 | L0 | G3/4 | G1/2 | L0 | G3/4 | G1/2 | ||
| 22 | 22 | 250 | 250 | 74.1 | 74.1 | L0 | G3/4 | G1/2 | L0 | G3/4 | G1/2 | ||
| 25 | 25 | 250 | 250 | 76.6 | 76.6 | L1 | G1 | G3/4 | L1 | G1 | G3/4 | ||
| 28 | 28 | 250 | 250 | 79.6 | 79.6 | L1 | G1 | G3/4 | L1 | G1 | G3/4 | ||
| 30 | 30 | 230 | 230 | 82.1 | 82.1 | L1 | G1 | G3/4 | L1 | G1 | G3/4 | ||
| 32 | 32 | 230 | 230 | 84.6 | 84.6 | L1 | G1 | G3/4 | L1 | G1 | G3/4 | ||
| 36 | 36 | 200 | 200 | 88.6 | 88.6 | L1 | G1 | G3/4 | L1 | G1 | G3/4 | ||
| 38 | 38 | 200 | 200 | 90.6 | 90.6 | L1 | G1 | G3/4 | L1 | G1 | G3/4 | ||
| 40 | 40 | 170 | 170 | 92.6 | 92.6 | L1 | G1 | G3/4 | L1 | G1 | G3/4 | ||
| 44 | 44 | 170 | 170 | 97.1 | 97.1 | L1 | G1 | G3/4 | L1 | G1 | G3/4 | ||
Productos relacionados
Deixe uma mensagem
Outros Produtos
O Mais Recente
Saiba mais
Outros Produtos
Vídeo

