Bomba de engrenagem externa
Solicite uma cotação
Bombas hidráulicas
Informações técnicas
- Deslocamento: 21.1~105.4cm³/rev.
- Sentido de rotação: no sentido horário (D), anti-horário (S), reversível (R)
- Velocidade mínima: 600r/mín
- Velocidade máxima: 2400r/mín
- Pressão máxima: 210~250bar
- Maquinário de construção
Características
- Alta eficiência, longa vida útil
- O ferro fundido integral oferece alta resistência à pressão
- Alto desempenho mesmo em baixas velocidades
- Várias opções de porta de óleo e extensão do eixo disponíveis
- Vedação do eixo sem vazamentos
Parâmetros técnicos
| Deslocamento | Pressão absoluta de sucção | Pressão máxima contínua | Pressão máxima intermitente | Pressão máxima de pico | Velocidade mínima | Velocidade máxima | Eficiência volumétrica |
| Y | Pe | P1 | P2 | P3 | nmín | nmáx | ηv |
| cm²/rev | bar | r/mín | % | ||||
| 21.1 | 0.7...3 | 210 | 230 | 250 | 600 | 2400 | ≥90 |
| 31.6 | |||||||
| 42.2 | |||||||
| 52.7 | |||||||
| 63.2 | |||||||
| 73.8 | |||||||
| 84.3 | |||||||
| 94.9 | 180 | 190 | 210 | ||||
| 105.4 | |||||||
Regras para códigos de encomenda
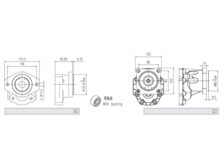
Dimensões padrão
| Deslocamento | Pressão máxima | Velocidade máxima | Velocidade mínima | Peso | Dimensões | Código de porta de óleo | Entrada | Saída | |||||||||
| P1 | P2 | P3 | M | L | A | B | C | D | a | b | c | d | |||||
| (cm³/rev.) | bar | bar | bar | (r/mín) | (r/mín) | Kg | mm | mm | mm | mm | mm | mm | mm | mm | |||
| 21.1 | 210 | 230 | 250 | 2400 | 600 | 14.5 | 101.6 | 31.75 | F0 | 52.4 | 26.2 | M10 | 25.4 | 47.6 | 22.3 | M10 | 19 |
| 31.6 | 210 | 230 | 250 | 2400 | 600 | 16.1 | 104.8 | 38.1 | F1 | 58.7 | 30.2 | M10 | 31.8 | 47.6 | 22.3 | M10 | 19 |
| 42.2 | 210 | 230 | 250 | 2400 | 600 | 17.6 | 108 | 44.45 | F2 | 58.7 | 30.2 | M10 | 31.8 | 52.4 | 26.2 | M10 | 25.4 |
| 52.7 | 210 | 230 | 250 | 2400 | 600 | 19.6 | 111.1 | 50.8 | F3 | 69.9 | 35.7 | M12 | 38.1 | 52.4 | 26.2 | M10 | 25.4 |
| 63.2 | 210 | 230 | 250 | 2400 | 600 | 20.2 | 114.3 | 57.15 | F3 | 69.9 | 35.7 | M12 | 38.1 | 52.4 | 26.2 | M10 | 25.4 |
| 73.8 | 210 | 230 | 250 | 2400 | 600 | 21 | 117.5 | 63.5 | F4 | 77.8 | 42.92 | M12 | 50.8 | 52.4 | 26.2 | M10 | 25.4 |
| 84.3 | 210 | 230 | 250 | 2400 | 600 | 21.6 | 120.7 | 69.85 | F5 | 77.8 | 42.92 | M12 | 50.8 | 58.7 | 30.2 | M10 | 31.8 |
| 94.9 | 180 | 190 | 210 | 2400 | 600 | 22.4 | 123.8 | 76.2 | F5 | 77.8 | 42.92 | M12 | 50.8 | 58.7 | 30.2 | M10 | 31.8 |
| 105.4 | 180 | 190 | 210 | 2400 | 600 | 23.3 | 127 | 82.55 | F5 | 77.8 | 42.92 | M12 | 50.8 | 58.7 | 30.2 | M10 | 31.8 |
| Deslocamento | Pressão máxima | Velocidade máxima | Velocidade mínima | Peso | Dimensões | Código de porta de óleo | Entrada | Saída | |||
| P1 | P2 | P3 | M | L | D | d | |||||
| (cm³/rev.) | bar | bar | bar | (r/mín) | (r/mín) | Kg | mm | mm | |||
| 31.6 | 210 | 230 | 250 | 2400 | 600 | 14 | 127 | 182 | L0 | G1 | G3/4 |
| 42.2 | 210 | 230 | 250 | 2400 | 600 | 14.2 | 128.5 | 184.5 | L0 | G1 | G3/4 |
| 52.7 | 210 | 230 | 250 | 2400 | 600 | 14.5 | 132.5 | 191.5 | L1 | G11/4 | G1 |
| 63.2 | 210 | 230 | 250 | 2400 | 600 | 14.8 | 135.5 | 198.5 | L1 | G11/4 | G1 |
| 84.3 | 210 | 230 | 250 | 2400 | 600 | 15.1 | 141 | 210.5 | L1 | G11/4 | G1 |
| 105.4 | 210 | 230 | 250 | 2400 | 600 | 15.5 | 149 | 229 | L1 | G11/4 | G1 |
Productos relacionados
Deixe uma mensagem
Outros Produtos
O Mais Recente
Saiba mais
Outros Produtos
Vídeo

