Bloco de válvulas de engate rápido K04
Solicite uma cotação
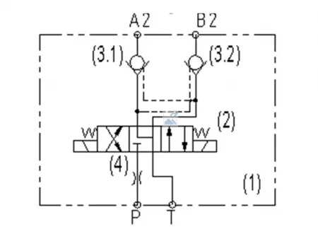
Bloco hidráulico para a comutação do circuito hidráulico do acessório com funções de compensação e manutenção de pressão
- O design otimizado minimiza o ruído do circuito piloto para uma operação mais suave
- Testado e validado na fábrica com mais de um milhão de ciclos de durabilidade para garantir confiabilidade duradoura
Aplicações
Amplamente utilizado em máquinas de construção, como escavadeiras e carregadeiras, o bloco de válvulas de engate rápido permite a comutação do circuito hidráulico para acessórios. Ele é projetado com recursos de compensação e manutenção de pressão, garantindo uma operação segura, estável e eficiente durante trocas frequentes de acessórios.
Especificações
| Pressão de operação máxima | 350bar |
| Fluxo nominal | 20L/min |
| Voltagem | DC14V±10% |
| Faixa de temperatura do fluido | -20℃~80℃ |
| Faixa de temperatura ambiente | -20℃~80℃ |
| Tratamento da superfície | Niquelado |
| Faixa de viscosidade do óleo | ISO 20~400mm²/s |
Productos relacionados
Deixe uma mensagem
Outros Produtos

