Roda motriz para escavadora Caterpillar E365
Solicite uma cotação
Peças para equipamentos pesados
Roda motriz Caterpillar
Fornecemos rodas motriz de alta resistência para escavadeiras Caterpillar, compatíveis com uma ampla gama de modelos médios e grandes.
- Modelos de escavadeiras Caterpillar compatíveisE365B, E365C, E374D, E374F
- Números de peça OEMBERCO CR6529, CATERPILLAR 141-9655
Especificações técnicas
- Descrição: Roda motriz
- Local de origem: China
- Marca: PT'ZM
- Modelo de máquina aplicável: E365
- Marca da máquina aplicável: Caterpillar
- Número da peça: 141-9655
- Certificado: GB/T19001-2016, ISO9001:2015
- Preço: A negociar
- Método de embalagem: Embalagem fumigada adequada para transporte marítimo
- Prazo de entrega: 7-30 dias
- Condições de pagamento: T/T, outras condições negociáveis
- Condições de envio: FOB, CIF, CFR
- Quantidade mínima de encomenda: 1 unidade
- Capacidade de fornecimento: 10.000 unidades/mês
- Material: 35SiMn
- Processo de fabricação: Fundição
- Acabamento: Liso
- Dureza: HRC50-60
- Qualidade: Operações de construção e mineração
- Período de garantia: 12 meses
- Serviço pós-venda: Suporte técnico por vídeo, suporte online
- Cor: Preto ou amarelo ou conforme solicitado pelo cliente
- Aplicação: Escavadeira de esteira
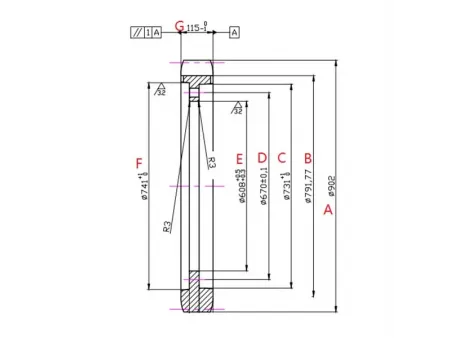
Tabela de tamanhos (unidade: mm)
| E365 | A | B | C | D | E |
| 902 | 791.77 | 731 | 670 | 608 | |
| F | G | H | J | K | |
| 741 | 115 | 260.35 | M30 | 21T |

