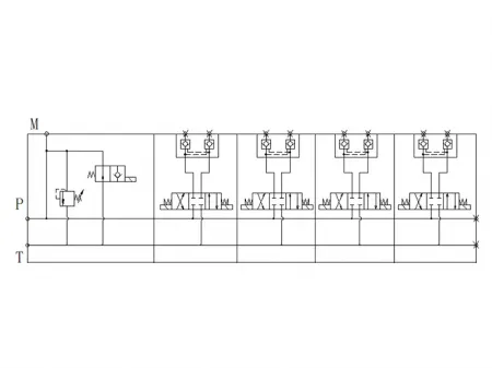
Válvula direcional seccional SMWV-06
Válvula de controle hidráulica multivias para o controle do fluxo de fluidos em várias máquinas industriais e agrícolas
A válvula de controle direcional seccional SMWV-06 utiliza um carretel operado eletromagneticamente para controlar o início, a parada e as mudanças direcionais do fluido em sistemas hidráulicos. Ela é equipada com um solenóide CC do tipo úmido que é totalmente vedado e isolado, permitindo que a armadura se mova no óleo. Esse design reduz o desgaste, suaviza o impacto hidráulico, melhora a dissipação de calor e aumenta a confiabilidade da comutação e da reinicialização, resultando em uma vida útil mais longa. A válvula possui passagens de fluido fundidas que reduzem a perda de pressão e aumentam a capacidade de fluxo para maior eficiência.
- Design modular e compacto com a capacidade de combinar vários módulos de válvulas
- A estrutura de bloqueio hidráulico integrada simplifica o circuito hidráulico e aumenta a segurança
- Baixa perda de pressão e alta eficiência, ajudando a reduzir o consumo geral de energia da máquina
| Pressão nominal | 315bar |
| Fluxo nominal | 40L/min |
| Faixa de temperatura do fluido | -20℃~80℃ |
| Padrão de contaminação | ISO 4406 CLASS 20/18/15 |
| Tratamento de superfície | Niquelado |
| Faixa de viscosidade do óleo | ISO 20~400mm²/s |
A válvula seccional é amplamente utilizada em máquinas de colheita, plataformas de trabalho aéreo e equipamentos de saneamento:
- Máquinas de colheita (por exemplo, colheitadeiras): Permite o controle sincronizado da altura da mesa de colheita, velocidade do tambor e unidades de limpeza, adaptando-se às flutuações da carga do campo.
- Plataformas de trabalho aéreas (por exemplo, elevadores montados em caminhões): Permite o controle suave e preciso da extensão e retração do estabilizador, com um recurso de manutenção de pressão que mantém a plataforma estável e segura durante o trabalho em altura.
- Veículos de saneamento (por exemplo, compactadores de lixo, caminhões com gancho de elevação): Controla as ações de elevação e abaixamento para mecanismos de basculamento de caixas e elevação de braços de forma eficiente e confiável.

