Válvulas niveladoras W
Solicite uma cotação
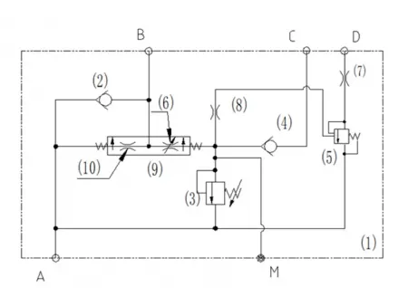
Válvulas hidráulicas para controle preciso da elevação da lança e nivelamento automático da caçamba
- Design otimizado e compacto para um autonivelamento estável e confiável durante a operação
- Testado em fábrica com mais de um milhão de ciclos de durabilidade e validado de acordo com altos padrões de desempenho
Aplicações
A válvula nivelante é normalmente usada em minicarregadeiras, proporcionando controle preciso da elevação da lança e nivelamento automático da caçamba, melhorando a precisão do manuseio e a eficiência operacional.
Especificações
| Pressão máxima de operação | 200bar |
| Fluxo nominal | 80L/min |
| Faixa de temperatura do fluido | -20℃~80℃ |
| Faixa de temperatura ambiente | -20℃~80℃ |
| Tratamento de superfície | Niquelado |
| Faixa de viscosidade do óleo | ISO 20~400mm²/s |
Productos relacionados
Deixe uma mensagem
Outros Produtos
O Mais Recente
Mandriladora e fresadora CNC portal, Mandriladora e fresadora CNC portal com pórtico fixo e mesa móvel
boringmill-br.com
Saiba mais
Outros Produtos
Vídeo

