Segmentos de roda motriz D275
Solicite uma cotação
Peças para equipamentos pesados
Segmento de roda motriz Komatsu
Nossos segmentos de roda motriz são projetados para tratores Komatsu, incluindo modelos como D65, D275, D375 e D475.
- Modelos de bulldozer Komatsu compatíveis D275
- Números de peça OEM17M-27-41630
Especificações técnicas
- Descrição: Segmento de roda motriz
- Local de origem: China
- Marca: PT'ZM
- Modelo de máquina aplicável: D275
- Marca de máquina aplicável: Komatsu
- Número da peça: 17M-27-41630
- Certificado: GB/T19001-2016, ISO9001:2015
- Preço: A negociar
- Método de embalagem: Embalagem fumigada adequada para transporte marítimo
- Prazo de entrega: 7-30 dias
- Condições de pagamento: T/T, outras condições negociáveis
- Condições de envio: FOB, CIF, CFR
- Quantidade mínima de encomenda: 1 unidade
- Capacidade de fornecimento: 1000 unidades/mês
- Material: 35Mn2
- Processo de fabricação: Forjamento
- Acabamento: Liso
- Dureza: HRC48-55, profundidade 8-10 mm
- Qualidade: Operações de construção e mineração, serviço pesado
- Período de garantia: 12 meses
- Serviço pós-venda: Suporte técnico por vídeo, suporte online
- Cor: Amarelo ou conforme solicitado pelo cliente
- Aplicação: Trator de esteira
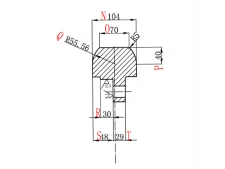
Tabela de tamanhos (unidade: mm)
| D275 | A | B | C | D | E | F | G | H | J | |
| 550 | 260.35 | 20 | 25 | 10.54 | 26.75 | 60 | 1057 | 1046.89 | ||
| K | L | M | N | O | P | Q | R | S | T | |
| 800 | 848 | 955.88 | 104 | 70 | 40 | R55.56 | 30 | 48 | 29 |
Productos relacionados
Deixe uma mensagem
Outros Produtos
O Mais Recente
Saiba mais
Outros Produtos
Vídeo

