Roda guia para bulldozer Komatsu D475
Solicite uma cotação
- Modelos de bulldozer Komatsu compatíveis D475, D475A, D475ASD
Especificações técnicas
- Descrição: Roda-guia
- Local de origem: China
- Marca: PT'ZM
- Modelo de máquina aplicável: D475
- Marca de máquina aplicável: Komatsu
- Número de peça: 198-30-45210
- Certificado: GB/T19001-2016, ISO9001:2015
- Preço: A negociar
- Método de embalagem: Embalagem fumigada adequada para transporte marítimo
- Prazo de entrega: 7-30 dias
- Condições de pagamento: T/T, outras condições negociáveis
- Condições de envio: FOB, CIF, CFR
- Quantidade mínima de encomenda: 1 unidade
- Capacidade de fornecimento: 100 unidades/mês
- Material: 35Simn/42Crmo/QT450-10
- Processo de fabricação: Forjamento
- Acabamento: Liso
- Dureza: HRC48-55, profundidade 8-10 mm
- Qualidade: Operações de construção e mineração, serviço pesado
- Período de garantia: 12 meses
- Serviço pós-venda: Suporte técnico por vídeo, suporte online
- Cor: Amarelo ou conforme solicitado pelo cliente
- Aplicação: Trator bulldozer de esteira
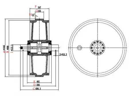
Tabela de tamanhos (unidade: mm)
| D475 | A | B | C | D | E |
| 1045 | 990 | 690 | 592 | 441 | |
| F | G | H | I | ||
| 347 | 155 | 12 | 113.3 |
Productos relacionados
Deixe uma mensagem
Outros Produtos
O Mais Recente
Saiba mais
Outros Produtos
Vídeo

