Válvula proporcional (para empilhadeiras)
Válvulas hidráulicas para o controle da elevação, inclinação, movimento para frente e para trás e deslocamento lateral das forquilhas
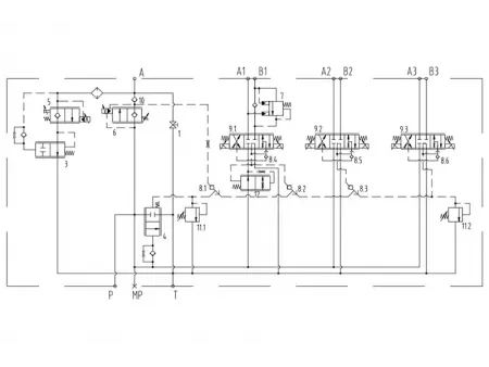
Nossas válvulas proporcionais para empilhadeiras são projetados para controlar toda a gama de funções hidráulicas para empilhadeiras de até 3,5 toneladas, incluindo elevação, inclinação do mastro, movimento para frente e para trás, deslocamento lateral e controle de acessórios auxiliares. Além dos recursos padrão, esses blocos de válvulas podem ser personalizados para integrar funções de controle de prioridade de direção, contrapeso duplo e OPS (Operator Presence Sensing, ou sensor de presença do operador) para atender a diversas necessidades operacionais.
- Estrutura modular e compacta que garante um desempenho seguro e confiável
- Design patenteado com opções integradas de OPS e prioridade de direção para maior versatilidade
- Baixa perda de pressão e alta eficiência, reduzindo o consumo de energia e prolongando o tempo de operação da empilhadeira
| Pressão máxima de operação | 280bar |
| Fluxo nominal | 90L/min |
| Faixa de temperatura do fluido | -30℃~100℃ |
| Faixa de temperatura ambiente | -30℃~50℃ |
| Faixa de viscosidade do óleo | ISO 20~400mm²/s |
Adequadas para empilhadeiras elétricas contrapesadas e empilhadeiras elétricas retráteis, essas válvulas fornecem controle eletroproporcional preciso sobre a elevação e o abaixamento dos garfos, a inclinação do mastro para frente e para trás, o deslocamento lateral e as operações de fixação, proporcionando manuseio suave e eficiente em ambientes de manuseio de materiais.

